作为我国大建材行业的重要组成部分,陶瓷行业被正式列入了“高耗能、高排放”之列,对建陶行业烟气末端的治理刻不容缓。为了能够因地制宜研究开展陶瓷等行业超低排放改造,各地纷纷出台相关的陶瓷行业排放标准、陶瓷产业新策新规,对颗粒物、二氧化硫等物质的排放限值做了严格的规定。小编在文中为大家整理了各地陶瓷工业大气污染排放标准的具体内容,一起来看看吧!
-
标准信息
标准名称:陶瓷工业大气污染物排放标准
标准号:DB13/ 5214-2020
发布日期:2020-08-04
实施日期:2020-11-01
主管部门:河北省市场监督管理局
| 起草单位 | 起草单位 |
| 河北省生态环境工程评估中心 | 唐山立业工程技术咨询有限公司 |
| 河北奥格环保科技咨询有限公司 |
-
标准规定了陶瓷工业企业或生产设施的大气污染物排放限值及控制要求、大气污染物监测、达标判定要求和实施与监督,适用于现有陶瓷工业企业或生产设施的大气污染物排放管理,及新建、改建及扩建的陶瓷工业企业或生产设施建设项目的环境影响评价、环境保护设施设计、竣工环境保护验收、排污许可证核发及其投产后的大气污染物排放管理。
-
大气污染物排放限值及控制要求
1.有组织排放限值
1)新建企业自本标准实施之日起,执行下表规定的大气污染物排放限值。
2)现有企业自2022年1月1日起,执行下表规定的大气污染物排放限值。

单位:毫克每立方米(烟气黑度除外)
2.无组织排放控制要求
1)在保障生产安全的前提下,粉状物料应密闭储存,块状物料应储存于储库、堆棚中。对物料采取覆盖、喷淋(雾)等抑尘措施。
2)粉状物料应密闭输送。物料装卸点应密闭或设置集气罩,并配套建设除尘设施或采取喷淋等抑尘措施。
3)原料均化应在储库、堆棚中进行。
4)除尘器清灰产生的灰尘不得直接落地,应采用避免产生二次污染的方式收集和转运。
5)厂区道路应硬化,并采取清扫、洒水等措施保持清洁;入厂散装物料运输车辆采取车厢遮盖等措施。
6)新建企业自本标准实施之日起,执行下表规定的企业边界大气污染物无组织排放限值。
7)现有企业自2022 年1月1日起,执行下表规定的企业边界大气污染物无组织排放限值。

企业边界大气污染物无组织排放限值
3.大气污染物收集与排放
1)产生大气污染物的生产工艺和装置应设立局部或整体气体收集系统和净化处理装置。
2)排放氯化氢的排气筒高度不低于25m,其他排气筒高度不低于15m,排气筒具体高度以及与周围建筑物的相对高度关系应根据环境影响评价文件确定。
-
标准信息
标准名称:陶瓷工业大气污染物排放标准
标准号:DB44/ 2160-2019
发布日期:2019-06-28
实施日期:2019-08-01
主管部门:广东省市场监督管理局
| 起草单位 | 起草单位 |
| 生态环境部华南环境科学研究所 | 广东新锦成陶瓷集团有限公司 |
| 广东陶瓷协会 | 广东金意陶陶瓷集团有限公司 |
| 蒙娜丽莎集团股份有限公司 | 佛山高明顺成陶瓷有限公司 |
| 广东新明珠陶瓷集团有限公司 | 佛山市高明贝斯特陶瓷有限公司 |
| 广东天弼陶瓷有限公司 | 广东东鹏控股股份有限公司 |
| 广东新润成陶瓷有限公司 | 广东古宝斯陶瓷有限公司 |
| 广东文化长城集团股份有限公司 | 佛山市恒洁卫浴有限公司 |
| 广东冠星陶瓷企业有限公司 | 佛山市顺德乐华陶瓷洁具有限公司 |
| 广东宏陶陶瓷有限公司 | 佛山华清智业环保科技有限公司 |
| 广东欧文莱陶瓷有限公司 | 广东伟创科技开发有限公司 |
| 广东唯美陶瓷有限公司 |
-
标准规定了陶瓷工业企业大气污染物中颗粒物、二氧化硫、氮氧化物排放限值、监测和监控要求,以及标准的实施与监督等相关规定,适用于陶瓷工业企业的大气污染物中颗粒物、二氧化硫、氮氧化物排放管理,以及对建设项目的环境影响评价、环境保护设施设计、竣工环境保护验收及其投产后的大气污染物中颗粒物、二氧化硫、氮氧化物的排放管理,不适用于陶瓷原辅材料的开采及初加工过程的大气污染物排放管理。标准中未规定的内容和要求,仍按现行GB 25464及修改单等相关标准执行。
-
污染物排放控制要求
1.大气污染物排放控制要求
1)自2020年7月1日起,现有企业执行下表规定的大气污染物排放限值。
2)自本标准实施之日起,新建企业执行下表规定的大气污染物排放限值。

企业大气污染物排放浓度限值(单位为mg/m³)
3)产生大气污染物的生产工艺和装置必须设立局部或整体气体收集系统和集中净化处理装置。所有排气筒高度应不低于15m(排放氯化氢的排气筒高度不得低于25m)。排气筒周围半径200m范围内有建筑物时,排气筒高度还应高出最高建筑物3m以上。
4)喷雾干燥塔、窑炉烟气基准含氧量为18%,实测喷雾干燥塔、窑炉的大气污染物排放浓度,应换算为基准含氧量条件下的排放浓度,并作为判定排放是否达标的依据。
5)企业边界大气污染物任何1小时有效均值平均浓度执行下表规定的限值。

现有企业和新建企业厂界无组织排放限值(单位为mg/m³)
2.无组织排放控制措施
1)燃料控制
a)原煤储存于储库、堆棚中。
b)原煤密闭输送,产尘点设置集气罩,并配备除尘设施。
c)煤粉应采用密闭储仓,配备除尘设施。
d)煤气发生炉气化后固体残渣,应采取覆盖、围挡等控制措施。
2)原料控制
a)粉状物料应密闭储存,其它粘土原料、硅质原料、长石原料、钙质原料、镁质原料以及辅助原料应储存于储库、堆棚中。
b)粉状物料转运应密闭输送,其他物料转运应在产尘点设置集气罩,并配备除尘设施。
c)原料均化应在储库、堆棚中进行。
3)制备与成型
a)原料的干磨、制粉等加工粉碎过程,原料筛分、混合、配料等生产环节,均应采用封闭式作业,
配备除尘设施。
b)原料粉磨过程、釉料配料过程应采用集中收尘,配备除尘设施。
c)喷雾干燥、成型、机械吹干等工序的产尘点应设置集气罩,并配备除尘设施。
d)喷雾法施釉等工序的产尘点应设置集气罩,并配备除尘设施。
e)成型过程修坯、打边,高温烧成后打磨抛光等工序的产尘点应设置集气罩,并配备除尘设施。
f)模型制备、匣钵制备过程应配备除尘设施。
4)陶瓷烧成
陶瓷烧成系统应配备污染治理设施。
5)厂区道路
厂区道路应硬化,并定期清扫、洒水保持清洁。
6)生产工艺设备、废气收集系统以及污染治理设施应同步运行。废气收集系统或污染治理设施发生故障或检修时,应做好突发环境事件应急措施,并报备生态环境部门。
7)因安全因素或特殊工艺要求不能满足本标准规定的无组织排放控制要求,经生态环境部门批准,可采取其他有效污染控制措施。
-
标准信息
标准名称:关中地区重点行业大气污染物排放限值
标准号:DB61/T 941-2018
发布日期:2018-12-29
实施日期:2019-01-29
主管部门:陕西省市场监督管理局
| 主要起草单位 |
| 陕西省环境科学研究院 |
-
标准规定了关中地区水泥、炼焦化学、钢铁、有色金属、玻璃及玻璃制品制造、陶瓷和砖瓦重点 工业企业的大气污染物排放限值和监测要求,适用于关中地区现有及新建上述工业企业的大气污染物排放管理。
-
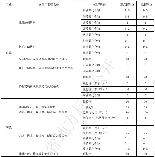
大气污染物排放控制要求
陶瓷工业新建企业自本标准实施之日起,现有企业自2020年4月1日起执行下表规定的排放浓度限值。

陶瓷工业大气污染物排放浓度限值
-
标准信息
标准名称:建材工业大气污染物排放标准
标准号:DB37/2373-2018
发布日期:2018-07-03
实施日期:2019-01-01
主管部门:山东省市场监督管理局
| 起草单位 | 起草单位 |
| 山东省环境规划研究院 | 济南大学 |
| 临沂市环境监测站 |
-
标准规定了山东省水泥、石灰、玻璃、陶瓷、砖瓦、陶粒、墙板、非金属矿、建筑石材、耐火材料等建材工业大气污染物的排放限值和监测要求,以及标准的实施与监督等有关要求,适用于山东省现有水泥、石灰、玻璃、陶瓷、砖瓦、陶粒、墙板、非金属矿、建筑石材、耐火材料等建材工业企业的大气污染物排放管理,以及新建、改建、扩建项目的环境影响评价、环境保护设施设计、竣工环境保护验收、排污许可及其投产后的大气污染物排放管理。
-
污染物有组织排放控制要求
1.2017年1月1日前建成投产或环境影响评价文件通过审批的企业,自本标准实施之日起至2019年12月31日不分控制区执行下表规定的排放限值。

现有企业大气污染物排放限值,单位为毫克/立方米(mg/m3)(烟气黑度除外)
2.2017年1月1日前建成投产或环境影响评价文件通过审批的企业,自2020年1月1日起按照所在控制区执行下表中的排放限值。
3.2017年1月1日起至本标准实施之日前环境影响评价文件通过审批的企业以及新建企业,自本标准实施之日起按照所在控制区执行下表中的排放限值。
4.国务院环境保护主管部门或省级人民政府明确规定执行大气污染物特别排放限值的地域范围和时间的,该地域范围内的建材工业企业除应执行本标准外,还应按规定达到国家标准中特别排放限值的要求。

新建企业大气污染物排放限值,单位为毫克/立方米(mg/m3)(烟气黑度除外)
-
广西
2021年6月,广西壮族自治区工业和信息化厅发布了《广西工业产业结构调整指导目录(2021年本)》,对汽车产业、有色金属、石油化工、建材产业、建筑卫生陶瓷行业等14个产业做出规划。
根据《目录》内容,广西自治区将限制新建建筑卫生陶瓷项目,淘汰陶瓷、碳酸钙等行业单位产品能耗未达到国家标准限定值“两高”项目,以及未完成“煤改气”改造的陶瓷生产线(2025年底),禁止未使用管道燃气的新建、改扩建建筑卫生陶瓷项目,鼓励电子陶瓷等结构和功能型特种陶瓷项目。
-
广东佛山
2021年5月,佛山市发展和改革局、佛山市工业和信息化局联合发布“通知”,宣布组织开展2021年佛山市节能监察工作。监察计划包括:一、水泥、玻璃、陶瓷等工业行业年综合能耗1万吨标准煤以上重点用能单位专项节能监察,其中37家陶瓷企业在列;二、对年耗电量500万千瓦时以上的数据中心项目开展专项节能监察。高耗能行业专项节能监察任务在2021年6月30日前完成。
以下是2021年佛山市高耗能行业专项节能监察陶瓷企业具体名单:
| 企业名称 | 企业名称 |
| 蒙娜丽莎集团股份有限公司 | 广东博德精工建材有限公司 |
| 佛山市三水新明珠建陶工业有限公司 | 广东强辉陶瓷有限公司 |
| 佛山市三水冠珠陶瓷有限公司 | 广东能强陶瓷有限公司 |
| 佛山市阳光陶瓷有限公司 | 广东和美陶瓷有限公司 |
| 广东新润成陶瓷有限公司 | 佛山市高明区雅居陶瓷有限公司 |
| 佛山市三水惠万家陶瓷有限公司 | 佛山市三水金意陶陶瓷有限公司 |
-
山东
2021年5月,山东省发展改革委、山东省工信厅及山东省生态环境厅等9部门联合发布《关于进一步开展“两高”项目梳理排查的通知》。《通知》指出:梳理排查的“两高”项目,主要是指国家统计局国民经济和社会发展统计公报中明确的“六大高耗能行业”中的高耗能高排放环节投资项目,具体包括钢铁、水泥、石灰、建筑陶瓷等16个行业投资项目。
《通知》规定:对不符合产业政策、产业规划、环评规划、减量替代要求,未履行相关审查审批手续,违规审批、未批先建、批建不符的坚决查处,并严格要求整改。
-
江西高安
2021年5月,高安市应急管理局联合江西省建筑陶瓷产业基地管委会召开陶瓷企业安全生产专项整治会议。高安市应急管理局党委书记、局长黄建指出,从2021年5月11日起,市应急管理局联合江西省建筑陶瓷基地管委会等8个部门,对全市陶瓷企业安全生产专项整治考核,考核评分结果由高安市应急管理局汇总排名,对考核排名后2位的企业实施停产整顿,排名后5位的约谈企业法人代表或实际控制人。
-
宁夏
2021年5月,宁夏回族自治区生态环境厅和发改委印发《全区重点行业清洁生产审核实施方案(2021年-2023年)》。《方案》指出:要深入推进清洁生产审核工作,进一步挖掘企业节能减排潜力,从源头上减少污染排放,实现主要污染物排放总量持续下降,为加快形成绿色生产方式、推动建设黄河流域高质量发展先行区提供有力支撑。
《方案》强调:要通过三年努力,全面落实能源、冶金、焦化、建材、有色、化工等重点行业中,大气、水、土壤污染防治工作中涉及的“双超”“双有”企业实施强制性清洁生产审核,实现主要污染物排放总量持续下降。
-
山东泰安
2021年5月,山东省泰安市人民政府印发《泰安市2021年大气污染防治实施方案》。《方案》要求:严格控制煤炭消费总量,对化工、钢铁、焦化、电力等行业实行产能控制,以煤定产,严格控制煤炭消费总量;2021年10月底前,淘汰全市35蒸吨/小时及以下燃煤锅炉(高效煤粉炉除外)。
《方案》明确:2021年月底前,完成焦化、水泥、玻璃、陶瓷、砖瓦等行业无组织排放深度治理,减少内部物料在堆存、转运、厂区道路等过程的污染排放;加快城区涉气企业搬迁,对泰城城区现有砖瓦窑等企业制定整治方案,依法有序关停或搬迁。
- 01 陶瓷砖行业标准 瓷砖行业标准制定单位有哪些 地砖的技术执行标准是什么
-
瓷砖凭借容易清理、保养简单,防火、防水、防腐性能好等特点,成为了现在家装中不可或缺的装修材...
- 02 日用瓷器国家标准 日用陶瓷国家标准制定企业有哪些 家居陶瓷品牌十大排名
-
日用陶瓷作为日常生活中必不可少的餐具用品,具有易于洗涤、热稳定性较好、经久耐用等优点。市场...
下载建材十大品牌APP 


